ASWT过程尺寸计算工具
订单号
读图纸区
产品图要求成品R值:
产品图要求成品M值:
产品图要求成品S值:
产品图要求成品S2值:
S 和 S2 值请只选择填写一个,另一个保留9999做为填充框位不需要动。
从MES中打开图纸,按左列需求信息读取并填写
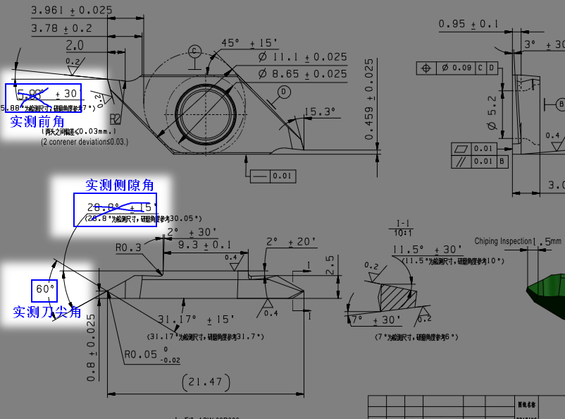
读图示例(点击图片放大)
请读取每个参数的中值。
实际测量区
实测前角:
实测侧隙角:
实测刀尖角:
请到MR机台或闪测仪上进行实测
测量位置示例(点击图片放大)
点击计算过程尺寸